ÄúÏÖÔÚµÄλÖãºÖйúũҵÒÇÆ÷Íø > ¼¼ÊõÎÄÕ > Ò»ÖÖµçÈȺãÎÂÅàÑøÏäµÄÉè¼ÆÔÀí¼°¹¦Ð§
Ò»ÖÖµçÈȺãÎÂÅàÑøÏäµÄÉè¼ÆÔÀí¼°¹¦Ð§
¡¡¡¡Ëæ×ÅÎÒ¹ú¿ÆÑ§ÊÂÒµµÄ·¢Õ¹,Ϊ±ãÓÚ¶Ô΢ÉúÎϸ¾ú¡¢²¡¶¾ºÍ¶¯Ö²Îï×é֯ϸ°ûµÄÅàÑøºÍ´¢´æ,ÎÒÃÇÑÐÖÆÁËÒ»ÖֱȽÏС¶øÓֺ㶨ζȺÍʪ¶ÈµÄµçÈȺãÎÂÅàÑøÏä¡£
¡¡¡¡Í¼1ÊÇÕâÖÖÅàÑøÏäµÄ½á¹¹ÔÀíʾÒâͼ¡£ËüÓɼÓÈÈ¡¢ÖÆÀä¡¢¼Óʪ¼°ÏàÓ¦µÄ¿ØÖÆÏµÍ³µÈ¼¸²¿·Ö×é³É¡£Æä¹¤×÷ÔÀíÊÇ,µ±ÎÂ¶ÈÆ«Àë¸ø¶¨Öµ,ÈçζÈÉý¸ß,¸ÐεçÇÅÊä³öÐźÅ,¾·Å´ó¿ØÖÆÖÆÀäϵͳÖÂÀä,ÆÈʹζÈϽµ;ÌÈÈôζȵÍÓÚ¸ø¶¨ÖµÊ±,ζȿØÖÆÏµÍ³¹¤×÷,¼ÓÈÈÆ÷¼ÓÈÈ,ζÈÉý¸ß,ʹζȴﵽƽºâ¡£Èç¹ûÏäÄÚÐèÒª¼Óʪ,¸ÐʪµçÇÅÊä³öÐźÅ,ʪ¶È¿ØÖÆÏµÍ³¹¤×÷,µçÈȼÓʪÆ÷ÕôÆûÅçʪ;·´Ö®,ÐèÒª¼õÊªÊ±ÖÆÀäϵͳ¹¤×÷ÖÂÀä,´ïµ½³ýʪµÄÄ¿µÄ,´Ó¶ø±£³Öʪ¶ÈµÄºã¶¨¡£

¡¡¡¡1 ²âÁ¿Êª¶ÈµÄÀíÂÛ
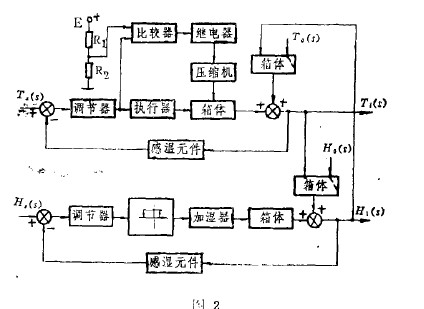
¡¡¡¡¸ù¾ÝÀûÓøÉʪÇòζÈÀ´È·¶¨¿ÕÆø×´Ì¬(ͼ2)¡£
¡¡¡¡ÔÚ¼ì²âʱ¸ÉÇòζÈT¶þ±íʾ¿ÕÆøÖеÄʵ¼ÊζÈ,ÔÚ¿ÕÆøÏà¶Ôʪ¶È²»±äµÄÇé¿öÏÂ,ʪÇòÉ´²¼ÉÏË®·ÝµÄÕô·¢¿ÉÒÔÈÏΪÊÇÎȶ¨µÄ,´Ó¶øËùÐèÒªµÄÈÈÁ¿Ò²ÊÇÒ»¶¨¡£ËùÒÔµ±¿ÕÆøÏà¶Ôʪ¶È½ÏСʱ,ʪÇò±íÃæË®·ÝÕô·¢½Ï¿ì,Õô·¢ËùÐèÒªµÄÈÈÁ¿Ò²¾Í¶à,Òò´Ë¸ÉʪÇòβî´ó¡£·´Ö®¿ÕÆøÖÐÏà¶Ôʪ¶È´ó,Ôò¸ÉʪÇòβîС¡£µ±Ïà¶Ôʪ¶ÈΪ100%ʱ,Ë®·Ý¾Í²»ÔÙÕô·¢ÁË,Õâ˵Ã÷¸ÉʪÇòζÈÏàͬ¡£¿É¼ûÔÚÒ»¶¨µÄ¿ÕÆø×´Ì¬Àï,¸ÉʪÇòβîÒ²¾Í·´Ó³ÁË¿ÕÆøÖÐÏà¶Ôʪ¶ÈµÄ´óС¡£

¡¡¡¡ÕâÒ»ÎïÀíÏÖÏó»ùÓÚʪÇòζÈT:µÍÓÚ»·¾³Î¶ÈT,¶øÎüÊÕµÄÈÈÁ¿Q,ºÍÉ´²¼ÉÏË®·ÝÕô·¢Ê§È¥µÄÈÈÁ¿Q:Ó¦¸ÃÏàµÈÕâһƽºâ¹ØÏµÀ´¿¼ÂǵÄ,¼´¿Ú,=¿Ú2¡£¸ù¾Ý´«ÈÈѧÔÀí,Á½ÖÖ²»Í¬Î¶ȵÄÎïÌå½Ó´¥Ê±,ζȸߵÄÎïÌå»áÏòζȵ͵ÄÎïÌå´«ÈÈ,Ë®Óë¿ÕÆø½Ó´¥Ê±Í¬ÑùÊÇÕâÑù¡£
¡¡¡¡2 С¹ßÐÔµçÈȼÓʪÆ÷
¡¡¡¡ÎªÁ˴ﵽʪ¶È¿ØÖƾ«¶ÈµÄÒªÇó,¼õÉÙ¼ÓʪÆ÷µÄ¹ßÐÔ,¸ÄÉÆÆä¶¯Ì¬ÌØÐÔÊÇ¿ØÊªµÄ¹Ø¼ü¼¼Êõ,ͼ6ÊǵçÈȼÓʪÆ÷µÄ½á¹¹ÔÀíʾÒâͼ¡£
¡¡¡¡ÐèÒª¼Óʪʱ,ʪ¶È¿ØÖƵç·½Óͨ¼ÓʪÆ÷µÄµçÈÈÆ÷½øÐмÓÈÈ,ʹÈÝÆ÷ÄÚµÄË®¼ÓÈÈÖÁ·ÐÌÚ²úÉúÕôÆû¡£×÷ΪʪÁ¿µÄÕôÆûͨ¹ýÅÅÆø¹ÜÅçÉäµ½ÍòÏäÄÚ¡£ÌÈÈô¸¡_ÇòϳÁ,Ëü±íÃ÷ÐèÒªÏòÈÝÆ÷¼ÓË®,Õâʱ΢¶¯¿ª¹Ø´¥µã¶Ï¿ª,´ò¿ª½øË®¹ÜµÄµç´Å·§½øË®¡£Ë®³äÂúʱ,¸¡ÇòÉÏÉý,¶¥¸ËÅöµ½Î¢¶¯¿ª¹Ø´¥µã±ÕºÏ,µç´Å·§¹Ø±Õ½øË®¹Ü,Í£Ö¹¼ÓË®¡£ÓÉÓÚÈÝÆ÷С,Ë®Á¿ºÜÉÙ,¹ßÐÔʱ¼äºÜ¶Ì¡£
¡¡¡¡ÊªÁ¿±íʾ¿ÕÆøÖÐË®ÕôÆûº¬Á¿¶àÉٵij߶È,¶ø¿ÕÆøÊÇÓÉǧ¿ÕÆøºÍË®ÕôÆû×éºÏ¶ø³ÉµÄ»ìºÏÆøÌå,¿ÕÆøÖÐË®Æûº¬Á¿µÄ¶àÉپ;ö¶¨ÁË¿ÕÆøµÄ³±Êª³Ì¶È¡£¼Ù¶¨ÏäÄڵŤ×÷ζÈT¶þ50¡æ,Ïà¶Ôʪ¶ÈÒªÇó¼×=95%,ÏäÌåΪһ¸ö´óÆøÑ¹,¼ÆËã½á¹û,ÏäÌåÈÝ»ý150ÉýËùÐèÒª×î´óʪÁ¿Îª12.65¿Ë¡£Òò´Ë¿ÉÒ԰ѼÓʪÆ÷µÄÈÝ»ý×ö³ÉºÜСµÄ×°Öá£
¡¡¡¡3.ÊÔÑéÇé¿ö
¡¡¡¡ÅàÑøÏä×°»úµ÷ÊÔºó,Çé¿öÁ¼ºÃ,Ö¤Ã÷Éè¼ÆÊǺÏÀíµÄ,ϵͳµç·¹¤×÷Îȶ¨¿É¿¿,ͼÁËͼ8ÊÇÕâ´ÎÊÔÑé(¾Îȶ¨)¼Ç¼ÏÂÀ´µÄÁ½×éÇúÏß¡£
¡¡¡¡(1)²âη¶Î§0Ò»50¡æ,·Ö±æÂÊ0.1¡æ,²¨¶¯¾«¶ÈÊ¿0.5¡æ¡£²âʪ·¶Î§50%~95%R¡£H,·Ö±æÂÊ1%,²¨¶¯¾«¶ÈÊ¿7%R.H¡£
¡¡¡¡(2)´ÓζȺÍʪ¶ÈÇúÏßÀ´¿´,²ÉÓÃǰÀ¡½âź¿ØÖÆ,ζȺÍʪ¶ÈµÄ¿ØÖƾ«¶ÈÓÐÃ÷ÏÔµÄÌá¸ß¡£
¡¡¡¡(3)ÅàÑøÏäÉÔ¼Ó¸Ä×°¿É×÷ΪСÐ͵ÄÈ˹¤ÆøºòÏä,ÒÇÆ÷ÒDZíÐÍʽÊÔÑéÏä,ÒÔÀ©´óËüµÄÓÃ;¡£
- ¡¾ÖйúũҵÒÇÆ÷Íø¡¿ÉùÃ÷²¿·ÖÎÄÕÂ×ªÔØ×ÔÆäËüýÌå£¬×ªÔØÄ¿µÄÔÚÓÚ´«µÝ¸ü¶àÐÅÏ¢£¬²¢²»´ú±í±¾ÍøÔÞͬÆä¹ÛµãºÍ¶ÔÆäÕæÊµÐÔ¸ºÔð£¬ÇÒ²»³Ðµ£´ËÀà×÷Æ·ÇÖȨÐÐΪµÄÖ±½ÓÔðÈμ°Á¬´øÔðÈΡ£ÈçÉæ¼°×÷Æ·ÄÚÈÝ¡¢°æÈ¨ºÍÆäËüÎÊÌ⣬ÇëÔÚ30ÈÕÄÚÓë±¾ÍøÁªÏµ¡£
- ÉÏһƪ£º·À»¤·þÉè¼ÆÔÀí¼°°²È«Ê¹ÓÃ
- ÏÂһƪ£ºÍÁÈÀ¶ÔСÂó¸ùϵÉú³¤Ó°ÏìµÄËĸö·½Ãæ









